Cadres de réception télécommandés
Antenne extérieure ou cadre ?
Tous deux ont leurs avantages, et leurs inconvénients.
Au delà de 3 MHZ, il devient souvent possible, pour les chanceux qui disposent d'un peu d'espace, de déployer un bout de fil assez long pour obtenir un résultat acceptable en réception.
L'antenne miracle n'étant pas encore inventée, il convient d'admettre certains compromis si l'on veut pratiquer l'écoute du spectre radio sur les bandes décamétriques.
Le sujet est très vaste, et chacun a sa solution, qui, bien entendu, est meilleure que celle du voisin...!
La cause décamétrique étant entendue, le problème de réception sur les bandes basses, de 10 Khz à 3 Mhz reste entier.
Il est très souvent impossible de tendre la longueur de fil nécessaire à une antenne extérieure résonnante sur des fréquences aussi basses.
Sur 150 Khz, (soit une longueur d'onde de 2 Km), un simple dipôle mesurerait environ 1 Km pour être efficace, et devrait être tendu entre plusieurs pylônes de soutien, à une hauteur considérable, constituant ainsi, par même occasion, un fantastique "aspirateur" à foudre.
L'exemple est un peu exagéré, mais il reflète assez bien les contraintes rencontrées par la radiodiffusion, tant à l'émission qu'à la réception sur les fréquences basses.
Il est bien évident, là encore, qu'un compromis entre la taille d'une antenne et son efficacité s'impose.
Après de nombreux essais, une solution comportant plusieurs antennes cadres à été retenue.
Les cadres offrent une solution remarquable, et sont peu encombrante, MAIS ...!!!
Il est illusoire de penser échapper au bruit domestique généré par les équipements modernes, et, bien souvent conduit par le réseau électrique.
L'antenne cadre posée sur le poste de radio, comme à l'époque de nos grands parents, c'est fini.
La pollution radio-électrique a désormais envahi l'intérieur des habitations.
Toutefois, si le cadre peut être éloigné des sources de bruit, il constitue une solution très efficace pour la réception des bandes basses.
MAIS, (encore un...) l'efficacité d'un cadre est considérablement améliorée lorsque ce dernier est accordé.
Sur le cadre à Papy, le CV d'accord était à portée de main,ce qui n'est plus le cas avec le cadre distant.
Il a donc bien fallu admettre que quelques petits bricolages intermédiaires étaient nécessaires pour arriver à une solution confortable.
Les divers cadres en essai ont été suspendus dans le grenier, à la hauteur maximale possible, sous la poutre faîtière.
Un petit ampli HF avec un push-pull de FETS J310 est directement connecté sur chaque cadre, et renvoie le signal amplifié sur un câble 50 ohms qui assure le transit des signaux vers le récepteur radio.
L'accord des différents cadres est réalisé au moyen de 4 diodes varicap, commandées par variation de tension.
Dans le schéma ci-dessous, le cadre fait 2200 µH, ce qui permet une couverture complète de 130 à 600 KHz, en injectant une tension comprise entre 16 et 26V à l'autre extrémité du câble coaxial.
Avec le même ampli, et un cadre de 180 µH, la couverture va de 500 Khz à 1700 Khz, ce qui permet de couvrir les bandes PO sans trou avec seulement deux cadres et deux amplis, mais avec également deux câbles de descente, et une commutation GO/PO à l'arrivée.
La diode zener sur le schéma soustrait 15V sur la tension d'alimentation, et les varicaps ne voient plus ainsi que la partie variable 1V/11V, ce qui correspond au but recherché pour l'accord distant.
Le régulateur 78M12, quant à lui, extrait un 12V stable à partir également de la tension variable 16V/26V.
Avec un cadre de 56 µH et des diodes varicaps de moindre capacité, la réception sur la bande 3 à 4 Mhz est surprenante, et l'accord est absolument flagrant, dixit le s-mètre autant que l'oreille du bonhomme...!

Système d'accord
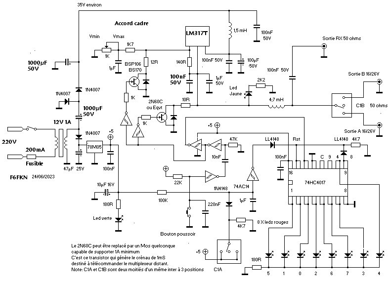
Pour effectuer le réglage du cadre depuis le coté récepteur, il est nécessaire de construire un petit bloc d'alimentation destiné à fournir la tension variable 16/26V nécessaire au petit module distant effectuant l'accord et l'amplification du cadre.
Une prise d'alimentation destinée à alimenter une antenne mini-whip, (issue des travaux de PA0RDT) a été incorporée, permettant ainsi diverses comparaisons instantanées, entre les différents "capteurs d'ondes"
La self de 1 mH permet l'isolement entre le signal issu des antennes et l'alimentation.
Le schéma est très simple, et ne nécessite pas d'explication particulière.

Antenne Whip
Issue des travaux de PA0RDT, puis reprise par de nombreux expérimentateurs, cette antenne existe sous de nombreuses variantes, mais le principe de base reste le même.
Une petite plaque de circuit imprimé collecte des signaux électriques infinitésimaux, à très haute impédance, lesquels sont amenés à un niveau exploitable par un transistor Jfet (J310), suivi d'un BFG591, permettant d'envoyer les signaux reçus sur un câble coaxial 50 ohms ordinaire.
La particularité remarquable de ce dispositif réside dans son étonnante sensibilité aux signaux compris entre 10 Khz et 3 Mhz.
Pour les signaux inférieurs à 500 Khz, c'est une excellente alternative, dont les résultats sont vraiment étonnants, au vu d'un encombrement quasi nul.

Essais en cours...
Avec un câble de descente pour chaque cadre, le raisonnement des antennes multiples a très vite démontré son côté peu pratique lorsque les câbles se sont multipliés.
C'est pourquoi une solution absolument radicale a été mise en oeuvre.
Les différentes antennes sont maintenant toutes reliées à un unique boitier de commutation situé dans le grenier, et la descente vers la réception ne se fait plus que par un unique coaxial discret pour TOUTES les antennes confondues.
Le boitier d'alimentation a été modifié pour envoyer les ordres de commutation montants par le câble.
Des coupures de 1mS sont effectuées sur la tension d'alimentation, et détectées à l'autre bout du câble.
Un simple bouton poussoir permet, par appuis successifs, de commuter automatiquement la réception sur l'antenne souhaitée.
8 leds, en bas, sur le boitier de commande, indiquent quelle antenne a été sélectionnée en haut.
La synchronisation est absolument parfaite avec les 8 entrées d'antennes.
Simple, mais redoutablement efficace!
Nota: j'utilise une whip en 8ème position, mais, en raison de l'alimentation 16/26V, un régulateur 12V a été ajouté sur la whip pour supprimer l'excès de tension.

Alimentation et télécommande.
L'alimentation 16/26V permet l'accord des différents cadres, ainsi que la séléction de n'importe lequel d'entre eux par appui sur un simple bouton poussoir.
Il est ainsi particulièrement facile de comparer différentes sources de réception entre elles.

Cette page sera complétée, au fur et à mesure des prochaines élucubrations.