Wobbulateur numérique
Vue d'ensemble.
Avec les circuits récents de synthèse digitale directe, il est désormais facile pour l'amateur de construire des équipements HF performants.
La construction d'un wobbulateur précis destiné au réglage de différents circuits haute fréquence a donc été entreprise, et plusieurs appareils ont été réalisés avec succès.
Grace à une petite fraiseuse numérique à 172€, ainsi qu'une imprimante 3D à 250€, la fabrication de ces appareils a été grandement facilitée.
Un wobbu, ça sert à quoi ?
Quand il est nécessaire d'aligner un ou plusieurs circuits sur une fréquence précise, comme par exemple un filtre haute fréquence, ou encore, par exemple, la chaîne moyenne fréquence d'un récepteur, il est très difficile de "voir" ce que l'on fait.
Le wobbu permet de matérialiser et de vérifier instantanément, les réglages que l'on effectue.
Le principe consiste à utiliser une fréquence variant cycliquement entre deux valeurs définies par l'utilisateur, que l'on injecte en entrée du circuit à régler.
Un oscilloscope, synchronisé par le wobbu, et branché en sortie du circuit à mesurer, permet de visualiser la réponse en fréquence de ce dernier, car la fréquence du wobbu varie exactement en même temps que la trace de l'oscillo.
Les réglages sont ainsi effectués avec précision, et surtout sans laisser le moindre doute.
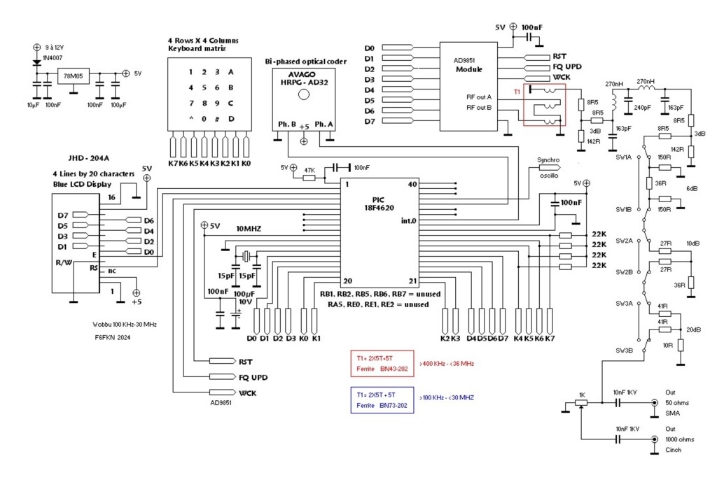
Le schéma

Le schéma comporte un clavier 16 touches tout à fait classique, matricé en 4X4, avec une sortie sur 8 broches.
Un encodeur optique à quadrature permet de modifier la fréquence dans un sens ou l'autre.
Une petit module DDS avec un AD9851, piloté par un PIC 18F4620, génère les séquences HF issues de la programmation.
Un afficheur à 4 lignes de 20 caractères, sert pour l'affichage de la fréquence, et des indications complémentaires.
La sortie HF se fait à travers 3 atténuateurs successifs, commutables individuellement, de -6dB, -10dB, et -20dB, soit -36dB, quand les trois sont mis en service.
La sortie se fait sur une fiche SMA, avec une impédance de 50 Ω.
Une seconde sortie, réglable par un potentiomètre de 1 KΩ permet d'injecter le signal à faible niveau à l'entrée d'un récepteur à lampes, par exemple.
La synchronisation de l'oscillo de visualisation est une brève impulsion 5V disponible sur la broche 37 du 18F4620.
Un régulateur 78M05 permet d'utiliser une tension d'alimentation extérieure, comprise entre 9 et 12V.
Utilisation comme générateur HF simple.

Le wobbu possède deux modes de fonctionnement.
Le premier consiste en un générateur HF standard, et le second permet le balayage en fréquence.
Le mode "balayage" sera décrit au chapitre suivant.
Bien que la fréquence qu'il est possible d'afficher n'ait pas été limitée, il est toutefois déconseillé de descendre en dessous de 200 KHz, ou de dépasser 32 MHz, sous peine de voir le niveau de sortie se réduire, et fausser les mesures.
On peut toutefois descendre jusqu'à 80 KHz, (Fi d'AME7G, par exemple) si l'on admet une baisse du niveau de sortie.
L'image ci-dessus indique 0,455MHz, soit 455 KHz.
La deuxième ligne indique 200Hz, soit la valeur du pas de fréquence, lors de la rotation de l'encodeur numérique.
Ce pas est modifiable par appuis successifs sur les touches "*" (étoile) et "#" du clavier.
La troisième ligne indique que le générateur est sur l'oscillateur A.
On peut en effet programmer deux fréquences différentes, et le choix de l'une ou l'autre se fait par appui sur la touche "B" du clavier.
Cet artifice permet de passer rapidement d'une fréquence à l'autre pour effectuer, par exemple, des comparaisons.
La quatrième ligne indique le mode dans le quel se trouve le générateur.
Un appui sur la touche "A" le passe en mode wobbulation.
Pour entrer une fréquence au clavier, il suffit d'appuyer sur les touches "chiffres" concernées, puis sur "#" à la fin, pour valider l'entrée.
La touche étoile représente la virgule.
Ainsi, pour afficher 80 KHz, on exécute 0 étoile 080, puis #, et l'affichage devient 00.080.000 MHZ
Pour 455 KHz: 0 étoile 455, puis #, et l'affichage devient 00.455.000 MHZ
Pour 5 MHZ, 5 puis #, et l'affichage devient 05.000.000
Pour 10,7 MHZ 10 étoile 7 puis # et l'affichage devient 10.700.000 MHZ
Le principe reste le même, quelle que soit la fréquence.
Pour 472,259 Khz, par exemple, 0 étoile 472259 puis # et l'affichage devient 00.472.259 MHZ.
Pour 17,589230 MHz, 17 étoile 58923 puis # et l'affichage devient 17.589.230
Si les derniers chiffres sont des zéros, il est inutile de les écrire, le programme complètera automatiquement pour vous.
Le mode wobbulation
Lorsque l'on souhaite faire une mesure, ou un réglage de bande passante dans un filtre électronique, ou plutôt, régler ou ré-aligner les transfos moyenne fréquence d'un récepteur radio, la fonction wobbulation est d'une grande utilité.
Mais tout d'abord, il faut synchroniser l'oscillo qui servira à afficher la courbe obtenue.
Les deux cosses, en bas et à droite de la face avant de l'appareil sont destinées à cet usage.
La cosse de gauche doit être reliée à la masse de l'oscillo, et la cosse de droite fournit le signal de synchro.
C'est une impulsion brève, de 5V, qui sert à déclencher le départ de la trace.
Deux possibilités sont offertes pour effectuer cette synchronisation.
Avec une sonde d'oscillo connectée sur la deuxième voie en sélectionnant le déclenchement sur la voie 2, ou avec cette même sonde connectée sur l'entrée "déclenchement extérieur", en n'oubliant toutefois pas d'activer ce mode, le cas échéant.
Tous les oscillos ne se ressemblent pas, mais comportent, en principe, ces possibilités.
L'accès au mode wobbulation se fait en pressant la touche A du clavier, ce qui est confirmé par l'affichage SWEEP ON.


